string(4) "3177"

Горелка дизельная Baltur BTL 26P в Калининграде

Версия
для печати
Товар отсутствуетИзготовление под заказ! Цена по запросу.
Получите скидку
у менеджера
Цена на горелка дизельная Baltur BTL 26P с доставкой от 0 рублей с НДС
Доставка ТК в г. Калининград и по России
Безналичный расчет
Опросный лист
  • Технические
    характеристики
  • Описание
    товара
  • Дополнительно
    потребуется
  • Отзывы о
    продукции

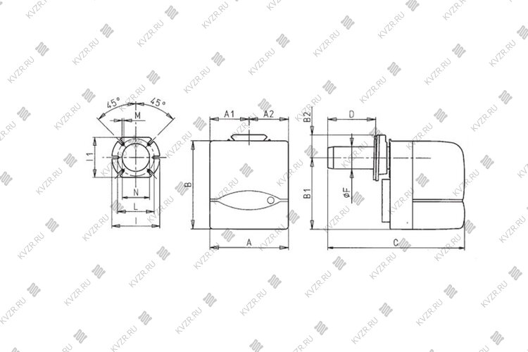
Технические характеристики горелки дизельной Baltur BTL 26P

Бренд Baltur
Тип BTL 26P
Вид Горелка водогрейного котла, Горелка парового котла
Топливо Дизель
Тепловая мощность, кВт 190-310
Число ступеней регулирования 2
Количество форсунок 1
Уровень звука в зоне обслуживания горелки, не более, дБа 70
Вид тока / частота тока 230/50
Область регулирования давления, бар 7-15
Степень защиты IP40
Габаритные размеры: длина*ширина*высота, мм 650*303*368
Масса, кг 20

Дизельная горелка Baltur BTL 26P в Калининграде

Двухступенчатая дизельная горелка Baltur BTL 26P применяется для водогрейных (жаротрубных и водотрубных) и паровых котлах с камерой сгорания под разряжением, и с аэродинамическим сопротивлением.

Особенности горелки Baltur BTL 26P на дизеле

  • Алюминиевый корпус с шумопоглощающим декоративным кожухом.
  • Регулируемая воздушная заслонка.
  • Регулируемая подпорная шайба.
  • Вентилятор с электрическим двигателем.
  • Электронный автомат горения с самодиагностикой.
  • Трансформатор розжига.
  • Гидропривод или сервопривод воздушной заслонки.
  • Насос дизельного топлива с регулятором давления.
  • Реле давления воздуха на горение.
  • Головка горелки из нержавеющей жаропрочной стали.
  • Подвижный фланец крепления к теплогенератору.
  • Фоторезистивный датчик пламени.

Купить дизельную горелку Baltur BTL 26P

Для того чтобы купить горелку на дизеле Baltur BTL 26P в Калининграде, вы можете сделать заявку в отдел сбыта по телефону (38-52) 29-97-41 (42), либо оформить заявку онлайн. Наши менеджеры дадут консультацию по подбору вспомогательного оборудования для выбранных вами моделей и рассчитают стоимость доставки до вашего региона и населенного пункта.

МАКСИМАЛЬНАЯ НАДЕЖНОСТЬ: Ни одной трубной доски. Ни одной дымогарной трубы. Ни одной поломки.

Паровой котел STEAMEXPERT. Все поверхности нагрева — водоохлаждаемые. Только равномерное расширение, никаких трещин и порывов весь срок службы.

МАКСИМАЛЬНАЯ СТАБИЛЬНОСТЬ: Утроенный водяной объем гасит скачки давления и не боится подпитки холодной водой. Ваше производство не знает простоев.

МАКСИМАЛЬНОЕ КАЧЕСТВО ПАРА: Объемный сепаратор гарантирует сухой пар без влаги. Никакого риска для вашей технологии.

МАКСИМАЛЬНАЯ ЭФФЕКТИВНОСТЬ: Высокое КПД достигнут конструкцией, а не навесным экономайзером. Вы экономите на монтаже и эксплуатации с первого дня.

МАКСИМАЛЬНОЕ УДОБСТВО: Самоочистка от шлама и паровая продувка снаружи без остановки котла. Минимум сервиса — максимум работы.

Цена 540 000 рублей с НДС

МАКСИМАЛЬНАЯ НАДЕЖНОСТЬ: Ни одной трубной доски. Ни одной дымогарной трубы. Ни одной поломки.

Паровой котел STEAMEXPERT. Все поверхности нагрева — водоохлаждаемые. Только равномерное расширение, никаких трещин и порывов весь срок службы.

МАКСИМАЛЬНАЯ СТАБИЛЬНОСТЬ: Утроенный водяной объем гасит скачки давления и не боится подпитки холодной водой. Ваше производство не знает простоев.

МАКСИМАЛЬНОЕ КАЧЕСТВО ПАРА: Объемный сепаратор гарантирует сухой пар без влаги. Никакого риска для вашей технологии.

МАКСИМАЛЬНАЯ ЭФФЕКТИВНОСТЬ: Высокое КПД достигнут конструкцией, а не навесным экономайзером. Вы экономите на монтаже и эксплуатации с первого дня.

МАКСИМАЛЬНОЕ УДОБСТВО: Самоочистка от шлама и паровая продувка снаружи без остановки котла. Минимум сервиса — максимум работы.

Цена 714 000 рублей с НДС

Дополнительные услуги

Отзывы о продукции

Отзыва о товаре пока нет, будьте первыми!

Вопрос-ответ

  • Технические
    характеристики
  • Описание
    товара
  • Дополнительно
    потребуется
  • Отзывы о
    продукции
Документы завода
  • Сертификаты завода
  • Членство в СРО
  • Аттестованная технология сварки
  • Патенты на котельное оборудование
  • Товарные знаки
Смотреть все документы
Сертификат на водогрейные котлы на твердом и жидком топливе
Сертификат на водогрейные котлы на газе и жидком топливе
Сертификат на котлы отопительные паровые КП
Сертификат на топки
Сертификат на щиты управления
Сертификат на скиповые подъемники
Сертификат на золоуловители (циклоны)
Сертификат на конвейеры скребковые
Сертификат на дробилки
Сертификат на клапаны предохранительные
Сертификат на бункер-накопитель механизированный
Сертификат на автоматику газовых горелок
Сертификат о происхождении товара форма СТ-1
Членство в СРО
Членство в СРО
Аттестованная технология сварки
Свидетельство аттестованной технологии сварки
Патент на отопительный котел
Патент на водогрейный котел
Патент на топку водогрейного котла
Патент на водогрейный газовый котел
Патент на водогрейный котел
Патент на топочное устройство твердотопливного котла
Патент на водогрейный котел
HEATEXPERT товарный знак
KVZR товарный знак
STEAMEXPERT товарный знак
Другая похожая продукция
Вы просматривали эти товары
Цена по запросу
Угольный котел КПр 1000
Лизинг
Вид топкиРучная, Колосники
ТопливоТвердое, Уголь
Температура пара, не более, °C130
Давление пара, не более, МПа0.17
1 538 000 р. Цена с НДС
Котел КВД-0.25 МВт на дровах
Вид топкиРучная, Колосники, ОУР
Максимальная тепловая мощность, МВт0.25
ТопливоТвердое, Дрова
Отапливаемая площадь, м²1300-2500
428 000 р. Цена с НДС
Котел на опилках
Лизинг
Вид топкиВихревая, Автоматическая
Максимальная тепловая мощность, кВт1280
ТопливоОпилки
Отапливаемая площадь, м²10700-14000
2 318 000 р. Цена с НДС
background